
DATA SHEET QF4A512
Rev D4, Dec 07 64 www.quickfiltertech.com
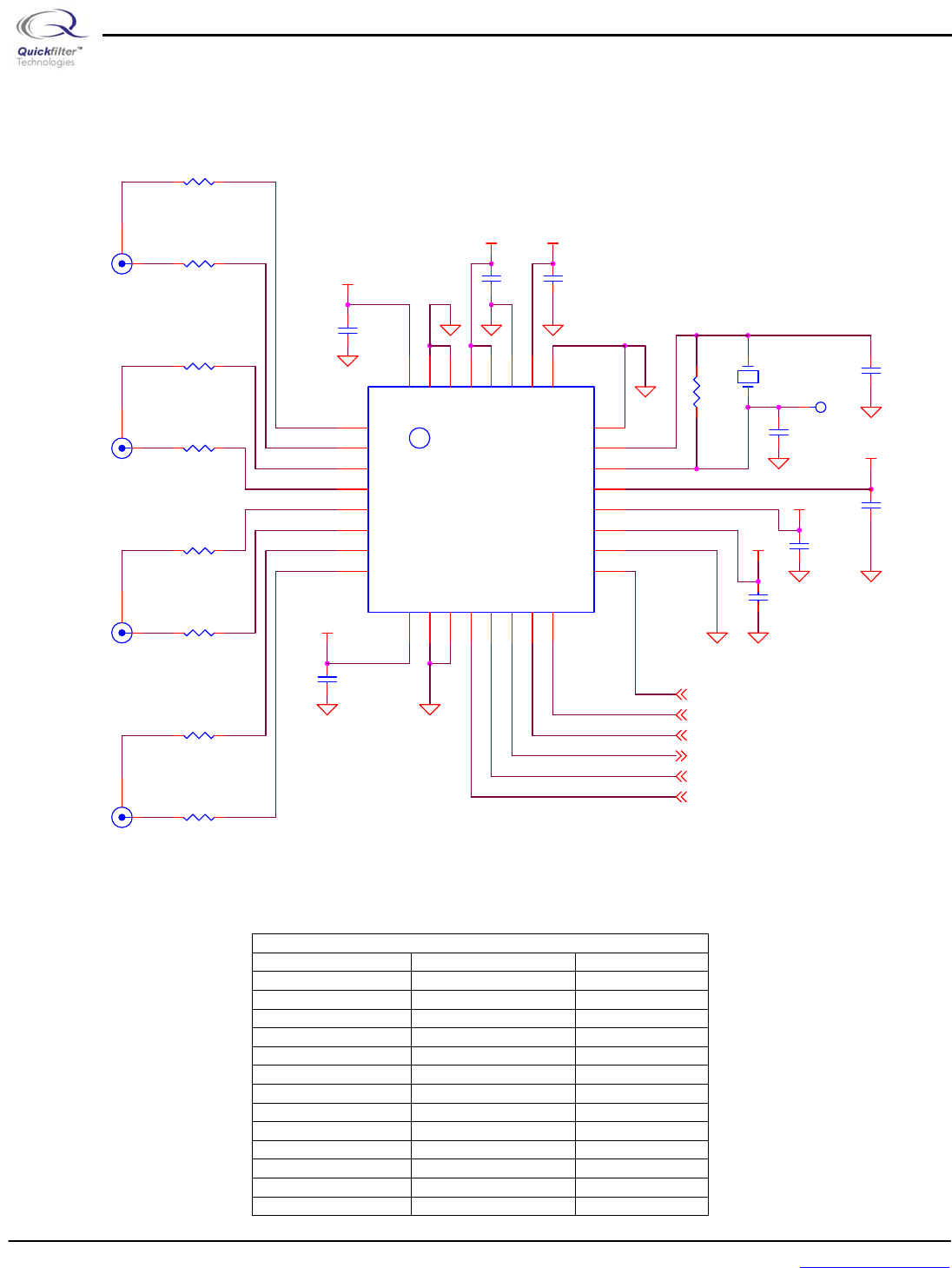
13.4 DC coupled, Differential
Figure 17. Application Circuit – Differential, dc coupled
Table 23. Example resistor values for dc-coupled, differential
DC-coupled, differential
Input Level R1-R8 Value PGA setting
-0.25V +0.25V 10K x8
-0.5 to +0.5V 10K x4
-1V to 1V 10K x2
-2V to 2V 10K x1
-3V to 3V 20K x1
-3.3V to 3.3V 23K x1
-5V to 5V 40K x1
-10V to 10V 90K x1
-12V to 12V 110K x1
-15V to 15V 140K x1
-20V to 20V 190K x1
-24V to 24V 230K x1
-28V to 28V 270K x1
1V8
C12
18 pF
0603
R4
10K 1%
SCLK
R6
10K 1%
X1
20.000 MHz
HCM49-20.000MABJT
1 2
R1
10K 1%
C16
0.1uF
0603
PGA x2
C9
0.1uF
0603
3V3
C11
0.1 uF
0603
1V8
DIN
DC Coupled
Differential
1V8
R8
10K 1%
J2
BNC
1
2
RESET
1V8
R5
10K 1%
DRDY
CH 1
CH 4
J4
BNC
1
2
R7
10K 1%
CS
Input
(-1V to +1V DC)
R2
10K 1%
J1
BNC
1
2
R9
1Meg
CH 3
C15
0.1uF
0603
R3
10K 1%
CH 2
C13
18 pF
0603
1V8
3V3
TP1
1
DOUT
C17
0.1uF
0603
C10
0.1 uF
0603
J3
BNC
1
2
U1
QF4A512
1
2
3
4
5
6
7
8
9
10
11
12
13
14
15
16
17
18
19
20
21
23
22
24
25
26
27
28
29
30
31
32
A1N
A1P
A2N
A2P
A3N
A3P
A4N
A4P
DVDD18
DGND
DGND
CSN
DRDY/SEL
SDO
SDI
SCLK
RSTN
DGND
DVDD18
DVDD33
XVDD18
XOUT
XIN
XGND
PGND
PVDD18
AGND
AVDD18
AVDD18
AGND
AGND
AVDD33
C14
0.1uF
0603
Input
(+/-1V DC)
PGA x2
Kommentare zu diesen Handbüchern